LoRa1121F33-2G4:2W大功率无线通讯模块 支持Sub-GHz和2.4G频段
LoRa1121F33-2G4模块是采用SEMTECH的LR1121芯片,这是一款超低功耗、远程LoRa收发器,支持Sub-GHz和2.4G频段。该模块支持支持LoRa,(G)FSK调制,Sigfox协议,以及(LR-FHSS),支持LoRaWAN通信协议。可以作为LoRAWAN节点使用。同时可以灵活配置,满足不同应用程序需求和专有协议。
联系我们
产品规格书:2W大功率全频段LR1121无线通讯模块LoRa1121F33-2G4 V1.2.pdf
示例代码:LoRa1121F33_demo_code_V1.1.zip
封装尺寸:LoRa1121F33-1G9&2.4G封装.zip
|
参 数 |
测 试 条 件 |
最 小 |
典 型 |
最 大 |
单 位 |
|
工作电压范围 |
|
3.0 |
5 |
5.5 |
V |
|
工作温度范围 |
|
-40 |
25 |
85 |
℃ |
|
最大输入信号 |
|
|
10 |
|
dBm |
|
电 流 消 耗 |
|||||
|
发射电流 |
@433MHz,5V,2W |
|
< 900 |
|
mA |
|
@868/915MHz,5V,1W |
|
< 1000 |
|
mA |
|
|
@2.4GHz,5v,1w,TxPower=5 |
|
< 1200 |
|
mA |
|
|
接收电流 |
@sub-G |
|
< 8 |
|
mA |
|
@2.4G |
|
< 24 |
29 |
mA |
|
|
休眠电流 |
|
|
< 20 |
|
uA |
|
射 频 参 数 |
|||||
|
频率范围 |
@433MHz |
400 |
|
470 |
MHz |
|
@470MHz |
470 |
|
510 |
MHz |
|
|
@868MHz |
800 |
|
930 |
MHz |
|
|
发射功率 |
@sub-GHz@433MHz |
18 |
|
33 |
dBm |
|
@sub-GHz@868MHz |
10 |
|
31 |
dBm |
|
|
@sub-GHz@915MHz |
6 |
|
31 |
dBm |
|
|
@2.4G频段 |
22 |
|
30 |
dBm |
|
|
接收灵敏度 |
BW=62.5KHz,SF=12 @sub-GHz |
|
-142 |
|
dBm |
|
BW=406KHz,SF=7 @2.4G频段 |
|
-129 |
|
dBm |
|
|
频率误差 |
|
|
0.5 |
|
ppm |
|
调制速率(@sub-GHz) |
@LoRa |
0.091 |
|
62.5 |
Kbps |
|
@FSK |
0.6 |
|
300 |
Kbps |
|
|
调制速率 (@2.4G频段) |
@LoRa |
0.476 |
|
101.5 |
Kbps |
产品特点
- Sub-GHz频段:433/470MHz 2W
Sub-GHz频段:868/915MHz 1W
(可定制150~960MHz的频率)
- 2.4G频段:2400-2500MHz 1W
- 2.4GHz频段灵敏度高达
-129@BW=406KHz,SF=7
- Sub-GHz接收灵敏度高达
-144dBm @BW=62.5KHz,SF=12
- 内置静电保护电路
- 支持LR-FHSS
- 支持AES-128加密解密
- 支持LoRaWAN协议、Sigfox协议
- 开阔地Sub-GHz传输距离为10公里以上
- 休眠电流小于20uA以下
- 小体积,邮票孔设计,方便客户二次开发
应用领域
- 无人机应用
- 智慧农业 / 智能家居
- 远程灌溉
- 工业制造


|
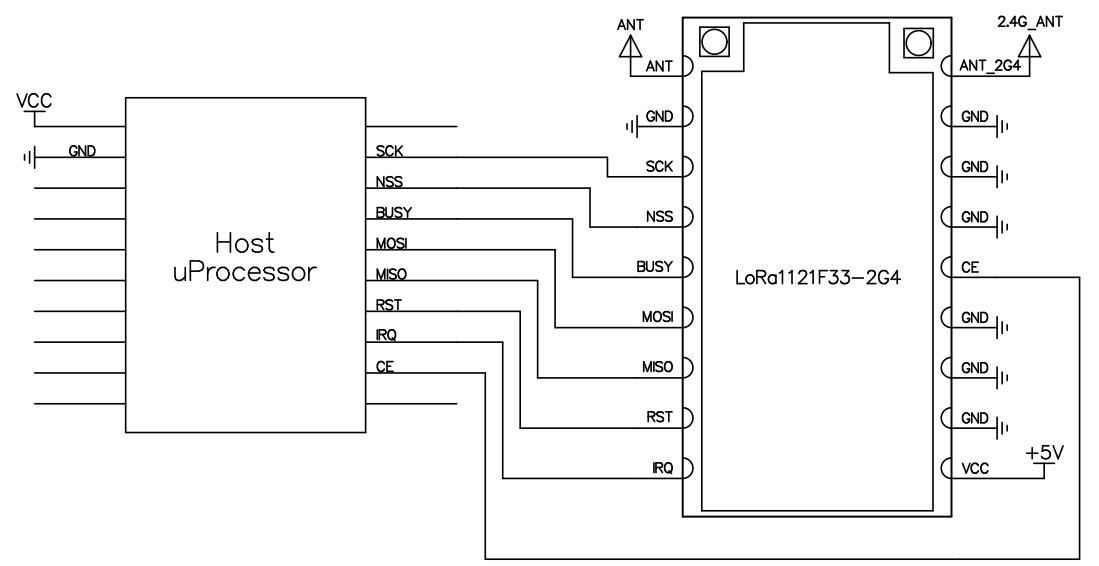
脚位编号 |
引脚定义 |
I/O |
IO电平 |
描 述 |
|
1 |
VCC |
|
|
接电源正极 |
|
2,3,4,6, 7,8,11 |
GND |
|
|
接电源负极 |
|
5 |
CE |
I |
0-5.5V |
内部LDO的使能控制脚,拉高或者悬空工作,接地休眠,内部有上拉电阻 |
|
9 |
ANT_2G4 |
|
|
2.4GHz天线接口,外接50欧天线 |
|
10 |
ANT |
|
|
Sub-G天线接口,外接50欧天线 |
|
12 |
SCK |
I |
0-3.3V |
SPI 时钟输入 |
|
13 |
NSS |
I |
0-3.3V |
SPI片选输入 |
|
14 |
BUSY |
O |
0-3.3V |
用于状态指示,详情查看芯片资料 |
|
15 |
ANTA MOSI |
I |
0-3.3V |
SPI数据输入 |
|
16 |
MISO |
O |
0-3.3V |
SPI数据输出 |
|
17 |
RESET |
I |
0-3.3V |
复位触发输入,具体见芯片规格书 |
|
18 |
IRQ |
O |
0-3.3V |
多用途数字接口,具体见芯片规格书 |

| 型号 | 认证 | 发射功率 | 频率(MHZ) | 尺寸(mm) | 规格书 |
|---|---|---|---|---|---|
| LoRa2021F33-2G4 | 1W/2W | Sub-G/2400 | 21*39*3.3 |
|
|
| LoRa2021 | 160mW/22dBm | Sub-G/2400/S | 19.7*15*2.2 |
|
|
| LoRa1121F33-1G9 | Sub-G/S | 39*21*3.3 |
|
||
| LoRa1121F33-2G4 | 1W/2W | Sub-G/2400 | 39*21*3.3 |
|
|
| LoRa1120 | 160mW/22dBm | Sub-G/2400/S | 19.7*15*2.2 |
|
|
| LoRa1121 | FCC/CE | 160mW/22dBm | Sub-G/2400/S | 19.7*15*2.2 |
|
| LoRa-CC68-868 | CE | 160mW/22dBm | 868 | 16*16*2.1 |
|
| LoRa-CC68-915 | FCC | 160mW/22dBm | 915 | 16*16*2.1 |
|
| CC68-C1 | FCC/CE | 160mW/22dBm | 433/470/868/915 | 16*16*2.1 |
|
| LoRa-CC68-TCXO | FCC/CE | 160mW/22dBm | 433/470/868/915 | 16*16*2.1 |
|
| LoRa-CC68-X1 | 160mW/22dBm | 433/470/868/915 | 12.5*13.8*1.8 |
|
|
| LoRa1262-868 | CE | 160mW/22dBm | 868 | 16*16*2.1 |
|
| LoRa1262-915 | FCC | 160mW/22dBm | 915 | 16*16*2.1 |
|
| LoRa1268 | 160mW/22dBm | 433/470 | 16*16*2.1 |
|
|
| LoRa1262F30 | 2W/33dBm | 868/915 | 38*20*4 |
|
|
| LoRa1268F30 | 2W/33dBm | 433/470 | 38*20*4 |
|
|
| LoRa1268F30-mini | 1W/30dBm | 433/470 | 26.4*16*2.7 |
|
|
| LoRa1276-C1-868 | CE | 100mW/20dBm | 150/433/470/868/915 | 16*16*2.1 |
|
| LoRa1276-C1-915 | FCC/IC | 100mW/20dBm | 150/433/470/868/915 | 16*16*2.1 |
|
| LoRa1278-C1 | CE | 100mW/20dBm | 150/433/470 | 16*16*2.1 |
|
| LoRa1278 | 100mW/20dBm | 150/433/470 | 17*17.3*2.3 |
|
|
| LoRa1276-915 | FCC | 100mW/20dBm | 150/433/470/868/915 | 17*17.3*2.3 |
|
| LoRa1278F30 | 1W/30dBm | 150/433/470 | 38*20*4 |
|
|
| LoRa1276F30 | 500mW/27dBm | 150/433/470/868/915 | 38*20*4 |
|
|
| LoRa1280 | 17.78mW/12.5dBm | 2400 | 16*16*2.1 |
|
|
| LoRa1281 | 17.78mW/12.5dBm | 2400 | 16*16*2.1 |
|
|
| LoRa1280-TCXO | FCC/CE | 17.78mW/12.5dBm | 2400 | 16*16*2.1 |
|
| LoRa1281-TCXO | FCC/CE | 17.78mW/12.5dBm | 2400 | 16*16*2.1 |
|
| LoRa1280-C1 | 17.78mW/12.5dBm | 2400 | 14.5*20.5*2 |
|
|
| LoRa1281-C1 | 17.78mW/12.5dBm | 2400 | 14.5*20.5*2 |
|
|
| LoRa128XF27 | FCC/CE | 500mW/27dBm | 2400 | 31.5*15.8*3.2 |
|
| LoRa1280F27-TCXO | 500mW/27dBm | 2400 | 31.5*15.8*3.2 |
|
|
| LoRa-STM32WLE5 | 160mW/22dBm | 433/470/868/915 | 17*14 |
|
|
| RF4463Pro-433 | FCC/CE/IC | 100mW/20dBm | 433 | 17*17.3*2.4 |
|
| RF2401F20 | CE/FCC/ IC/TELEC | 100mW/20dBm | 2400 | 13.02*19.2*2.1 |
|
| SA618F30-FD | 全双工 | 1W/30dBm | 410-490 MHz | 24*39.3 |
|
LoRa1121:FCC/CE认证 sub-GHz和2.4GHz及S频段(卫星频段)多频段通信模块
LoRa1121F33-1G9:2W大功率LR1121无线通讯模块

